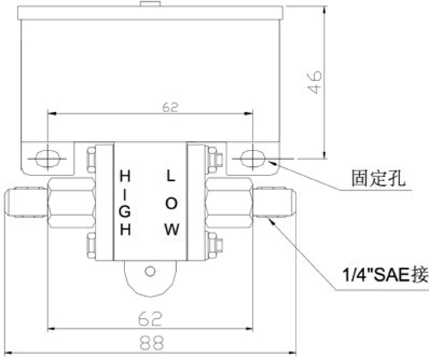
B-WPS440 系列水压差开关具有 SPDT 输出,性能优异,高精度可靠性,可安装在水管和对铜无腐蚀性液体中,当液体流量超过或低于调整速率时,可关闭一个回路,打开另一个回路,典型应用于连锁作用或断流保护的场所。
B-WPS440 系列水压差开关可应用在油、水和空气流体工程中检测过滤器、泵、热交换器、冷水机组及盘管等的压差监控。

B-WPS440 系列水压差开关具有 SPDT 输出,性能优异,高精度可靠性,可安装在水管和对铜无腐蚀性液体中,当液体流量超过或低于调整速率时,可关闭一个回路,打开另一个回路
B-WPS440 系列水压差开关具有 SPDT 输出,性能优异,高精度可靠性,可安装在水管和对铜无腐蚀性液体中,当液体流量超过或低于调整速率时,可关闭一个回路,打开另一个回路,典型应用于连锁作用或断流保护的场所。
B-WPS440 系列水压差开关可应用在油、水和空气流体工程中检测过滤器、泵、热交换器、冷水机组及盘管等的压差监控。